RR-343 (Each)
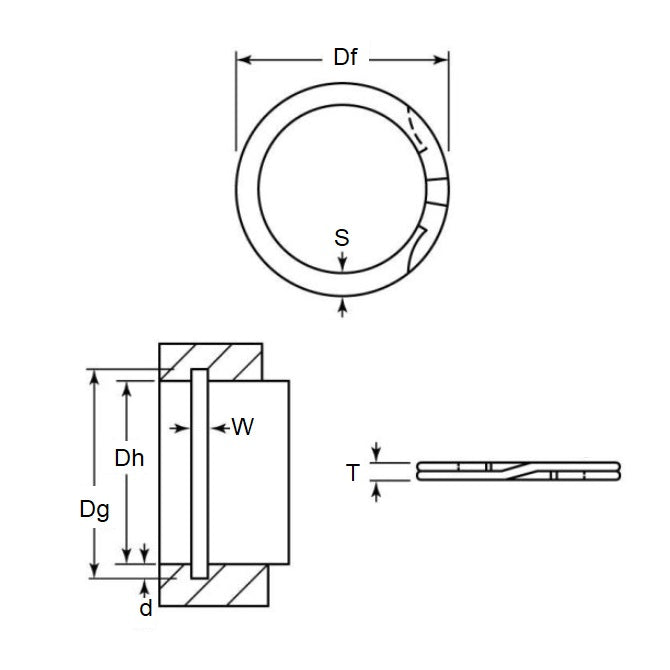
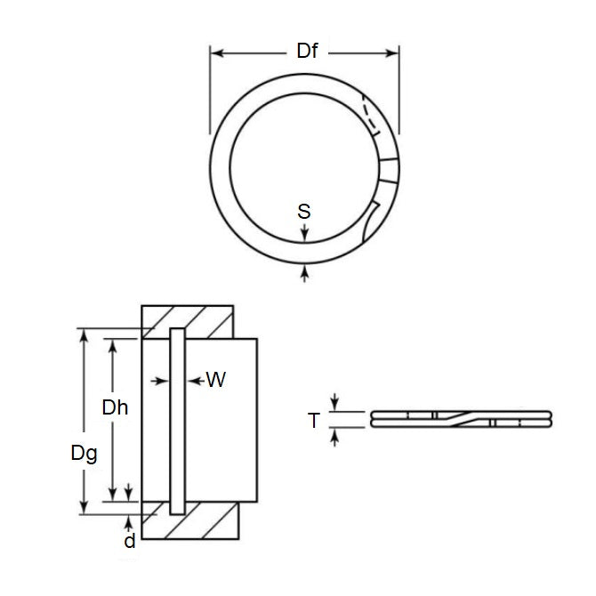
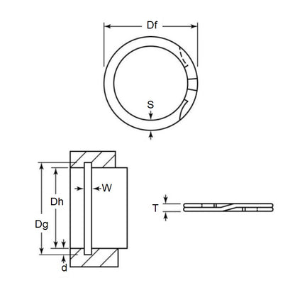
Internal Retaining Rings - 87.3x1.55x89.99 mm Spiral Rings - Carbon Spring Steel Spiral Ring
MBA
Store: Minibearings - Miniature Bearings Australia - Domestic & Export Additional resources:Spiral Rings and Snap Rings PDF
Order 50 or more for $11.49 AUD
Base Category: Retaining Rings - Internal
Top Level Category: Retaining Rings - Internal - Spiral Rings - Medium Duty - Carbon Steel
Product Details
Housing Bore (B): 87.30mm(87.30mm is 3.437 in.)
Carbon Spring Steel
- Housing Bore (B): 87.30mm
(87.30mm is 3.437 in.)
- Clip Thickness (T): 1.55mm
+/- 0.08
(1.55mm is 0.061 in.)
- Groove Dia. (Dg): 89.99mm
(89.99mm is 3.543 in.)
- Approx. Loose Circlip OD (Dr): 91.14mm
+ 0.76 / - 0.00
- Radial Wall (S) Approx.: 4.78mm
+/- 0.13
- Groove Width (W): 1.79mm
+/- 0.15
- Approx. Loose Clip ID: 81.58
+/- 0.06
- Groove Depth (d): 1.35
Brand: MBA
Country of Origin: US
Product Compliance and Data
Similar to
- Associated Spring AI-343
- Smalley WH-343
- Spirolox WH-343
- WH343
- AI343
We offer equivalents to many brands including Anderton, Barden, Berg, Designatronics, EZO, ISC, Koyo, Myonic, NMB, Nordex, NSK, Ondrives, Reid Industrial, RMB, SDP-SI, Seeger, SKF, and more.
Share

Click to open these sections
Collapsible content
PICK UP
Pick up is available from our Coopers Plains warehouse after your order is ready. Please refer to your ready notification email, and bring it with you to collect your parcel.
PDF CATALOGUES
You may freely download the following catalogues to review and compare products. To help you select the most readily available items, rows are colour coded and marked according to the key at the bottom of each page.
Part numbers from these catalogues can be checked in the online store. If they don't appear in the store, please email us for more information about the part.
Bearing Material Selection and Benefits
Bearings - Corrosion Resistant
Bearings - Radial - Master List
CROSS REFERENCES
We provide equivalents to many brands including Berg - Designatronics - Nordex - NSK - Oilite - Ondrives - Reid Industrial - SDP-SI - SKF. The following PDF cross references contain hundreds of thousands of part conversions.
Information, Catalogues, and News
View all-
Free O-Rings Catalogue
Download the MBA O-Rings Catalogue *** UPDATED RELEASE 2025.3 *** December 2025 The MBA O-Rings catalogue lists all sizes and materials in strict size order, so that alternatives can be...
Free O-Rings Catalogue
Download the MBA O-Rings Catalogue *** UPDATED RELEASE 2025.3 *** December 2025 The MBA O-Rings catalogue lists all sizes and materials in strict size order, so that alternatives can be...
-
Rubber Comparison
Rubber Comparison This guide represents a simplified comparison between Natural Rubber, Nitrile (NBR), and Fluoroelastomer (FKM). The guide can be used as a first step in selection of suitable materials...
Rubber Comparison
Rubber Comparison This guide represents a simplified comparison between Natural Rubber, Nitrile (NBR), and Fluoroelastomer (FKM). The guide can be used as a first step in selection of suitable materials...
-
Free Cross Reference for Reid Tool Engineering ...
Download the Reid Tool Engineering Parts Cross Reference *** UPDATE 2025.2 *** OCTOBER 2025 The MBA Part Numbers in this cross-reference are determined to be equivalent or similar to products...
Free Cross Reference for Reid Tool Engineering ...
Download the Reid Tool Engineering Parts Cross Reference *** UPDATE 2025.2 *** OCTOBER 2025 The MBA Part Numbers in this cross-reference are determined to be equivalent or similar to products...
-
Free Cross Reference for Nordex Engineering Parts
Download the Nordex Cross Reference *** UPDATE 2025.2 *** OCTOBER 2025 The MBA Part Numbers in this cross-reference are determined to be equivalent or similar to products offered by Nordex...
Free Cross Reference for Nordex Engineering Parts
Download the Nordex Cross Reference *** UPDATE 2025.2 *** OCTOBER 2025 The MBA Part Numbers in this cross-reference are determined to be equivalent or similar to products offered by Nordex...