DB120-151-300
Dowel Bushings Pins - 12x30x15.09 mm
NoCor
Store: Minibearings - Miniature Bearings Australia - Domestic & ExportDowel Pins Catalogue PDF
Master Pins Catalogue PDF
Base Category: Pins - Dowel Bushings
Top Level Category: Pins - Dowel Bushings
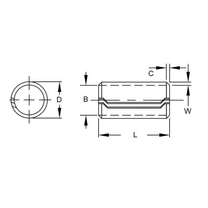
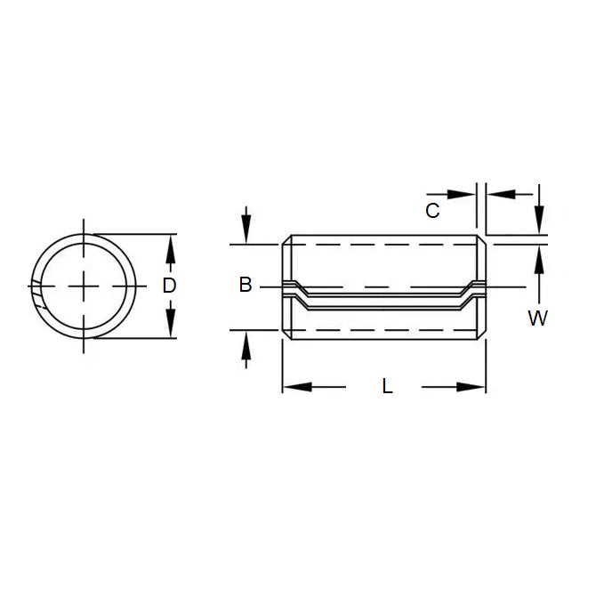
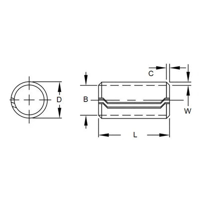
Product Details
Suitable Bolt Size: 12.00mm(12.00mm is 0.472 in.)
- Suitable Bolt Size: 12.00mm
(12.00mm is 0.472 in.)
- Length : 30.00mm
+ 0.0 / - 1.0
(30.00mm is 1.181 in.)
- Rec. Hole Diameter Min: 15.09mm
(15.09mm is 0.594 in.)
- Unassembled Diameter (D) Min: 15.34mm
- Unassembled Diameter (D) Max: 15.60mm
- Wall Thickness: 1.45mm
- Rec. Hole Diameter Max: 15.22mm
- Minimum Single Shear: 46.50kN
Brand: NoCor
Country of Origin: DE
Product Compliance and Data
Similar to
- DB12-32
- DB1232
We offer equivalents to many brands including Anderton, Barden, Berg, Designatronics, EZO, ISC, Koyo, Myonic, NMB, Nordex, NSK, Ondrives, Reid Industrial, RMB, SDP-SI, Seeger, SKF, and more.
Share
Click to open these sections
Collapsible content
PICK UP
Pick up is available from our Coopers Plains warehouse after your order is ready. Please refer to your ready notification email, and bring it with you to collect your parcel.
PDF CATALOGUES
You may freely download the following catalogues to review and compare products. To help you select the most readily available items, rows are colour coded and marked according to the key at the bottom of each page.
Part numbers from these catalogues can be checked in the online store. If they don't appear in the store, please email us for more information about the part.
Bearing Material Selection and Benefits
Bearings - Corrosion Resistant
Bearings - Radial - Master List
CROSS REFERENCES
We provide equivalents to many brands including Berg - Designatronics - Nordex - NSK - Oilite - Ondrives - Reid Industrial - SDP-SI - SKF. The following PDF cross references contain hundreds of thousands of part conversions.
Information, Catalogues, and News
View all-
Free Circlips & E-Clips Catalogue
Download the MBA Circlips & E-Clips PDF Catalogue *** Update 2025.4 *** September 2025 The MBA Circlips & E-Clips catalogue lists a full range of E-Clips, Internal Circlips, and External...
Free Circlips & E-Clips Catalogue
Download the MBA Circlips & E-Clips PDF Catalogue *** Update 2025.4 *** September 2025 The MBA Circlips & E-Clips catalogue lists a full range of E-Clips, Internal Circlips, and External...
-
Free Pins Catalogue
Download the MBA Pins Catalogue PDF *** Update 2025.3 *** September 2025 The MBA pins catalogue includes a huge selection if engineering pins in materials including carbon steel, stainless steel,...
Free Pins Catalogue
Download the MBA Pins Catalogue PDF *** Update 2025.3 *** September 2025 The MBA pins catalogue includes a huge selection if engineering pins in materials including carbon steel, stainless steel,...
-
Free Dowel Pins Catalogue
Download the Dowel Pins PDF Catalogue *** Update 2025.4 *** September 2025 This catalogue includes dowel pins of type Din 6325, ISO 2338, and Din 7 in various materials. Dowel...
Free Dowel Pins Catalogue
Download the Dowel Pins PDF Catalogue *** Update 2025.4 *** September 2025 This catalogue includes dowel pins of type Din 6325, ISO 2338, and Din 7 in various materials. Dowel...
-
Free Socket Set Screws (Grub Screws) Catalogue
Download the MBA Socket Set Screws Catalogue *** 2025.3 Update *** September 2025 The MBA Socket Set Screws Catalogue includes standard cone point, dog point and specialty grub screws in...
Free Socket Set Screws (Grub Screws) Catalogue
Download the MBA Socket Set Screws Catalogue *** 2025.3 Update *** September 2025 The MBA Socket Set Screws Catalogue includes standard cone point, dog point and specialty grub screws in...