REF-200-L-CT (PK-5)
Female Rod Ends - 20x102.5 mm - M20x1.5 Left - Tempered Steel with PTFE Rod End
MBA
Store: Minibearings - Miniature Bearings Australia - Domestic & ExportOrder 50 or more pack (250 pcs)
for $92.01 AUD per 5
Base Category: Rod Ends - Female
Top Level Category: Rod Ends - Female - Steel - Plain - PTFE Lined - Tempered Steel
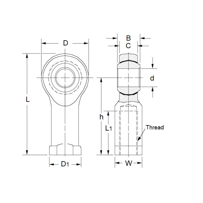
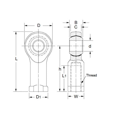
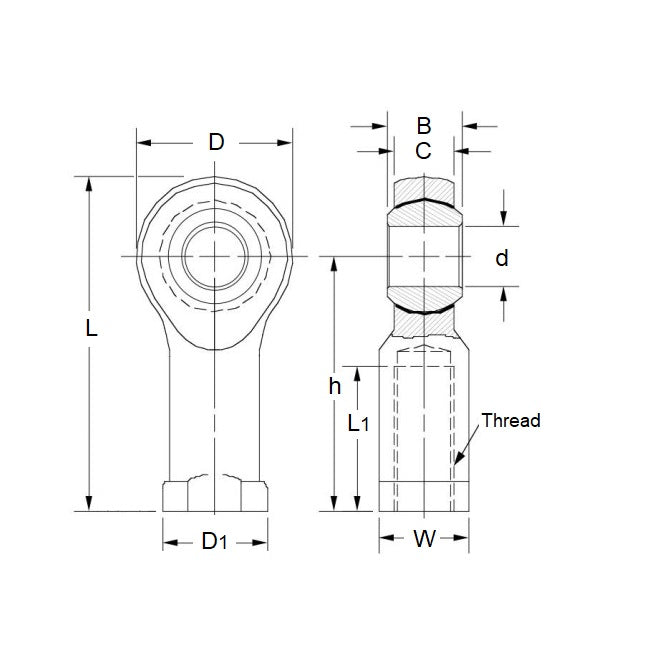
Product Details
Eye Size (d1): 20mm(20mm is 0.787 in.)
Tempered Steel with PTFE
- Eye Size (d1): 20mm
(20mm is 0.787 in.)
- Overall Length (L): 102.500mm
(102.500mm is 4.035 in.)
- Thread Size: M20x1.5 Left
- Thread Length (l2): 33.00mm
- Head Width (W): 18.00mm
- Eye Width (W1): 25.00mm
- Centre Height (l1): 77.00mm
- Grease Nipple: No
- Body Width/Flange Width(W2/D3): 30.00 / 34.00mm
Brand: MBA
Country of Origin: JP
Product Compliance and Data
Similar to
- Misumi® E-GZNL20
- EGZNL20
We offer equivalents to many brands including Anderton, Barden, Berg, Designatronics, EZO, ISC, Koyo, Myonic, NMB, Nordex, NSK, Ondrives, Reid Industrial, RMB, SDP-SI, Seeger, SKF, and more.
Share

Click to open these sections
Collapsible content
PICK UP
Pick up is available from our Coopers Plains warehouse after your order is ready. Please refer to your ready notification email, and bring it with you to collect your parcel.
PDF CATALOGUES
You may freely download the following catalogues to review and compare products. To help you select the most readily available items, rows are colour coded and marked according to the key at the bottom of each page.
Part numbers from these catalogues can be checked in the online store. If they don't appear in the store, please email us for more information about the part.
Bearing Material Selection and Benefits
Bearings - Corrosion Resistant
Bearings - Radial - Master List
CROSS REFERENCES
We provide equivalents to many brands including Berg - Designatronics - Nordex - NSK - Oilite - Ondrives - Reid Industrial - SDP-SI - SKF. The following PDF cross references contain hundreds of thousands of part conversions.
Information, Catalogues, and News
View all-
Yo-Yo Bearings
We have a new range of specialty bearings for yo-yo centres available. Please click the link to see the range ---> Yoyo Bearings
Yo-Yo Bearings
We have a new range of specialty bearings for yo-yo centres available. Please click the link to see the range ---> Yoyo Bearings
-
Free Timing Pulleys & Idlers Catalogue
Download the Timing & Idler Pulley Catalogue *** Update 2026.1 *** March 2026 The MBA Timing pulleys catalogue includes timing pulleys from steel and aluminium. More than 20 pages of...
Free Timing Pulleys & Idlers Catalogue
Download the Timing & Idler Pulley Catalogue *** Update 2026.1 *** March 2026 The MBA Timing pulleys catalogue includes timing pulleys from steel and aluminium. More than 20 pages of...
-
Free Circlips & E-Clips Catalogue
Download the MBA Circlips & E-Clips PDF Catalogue *** Update 2026.1 *** February 2026 The MBA Circlips & E-Clips catalogue lists a full range of E-Clips, Internal Circlips, and External...
Free Circlips & E-Clips Catalogue
Download the MBA Circlips & E-Clips PDF Catalogue *** Update 2026.1 *** February 2026 The MBA Circlips & E-Clips catalogue lists a full range of E-Clips, Internal Circlips, and External...
-
Free Standard Bearings Catalogue
Download the MBA Standard Bearing Range Quick Guide Catalogue *** UPDATE 2026.1 *** JANUARY 2026 The MBA Standard Bearing Catalogue includes sizes from 0.60mm bore (0.024 inches) to 320mm bore...
Free Standard Bearings Catalogue
Download the MBA Standard Bearing Range Quick Guide Catalogue *** UPDATE 2026.1 *** JANUARY 2026 The MBA Standard Bearing Catalogue includes sizes from 0.60mm bore (0.024 inches) to 320mm bore...