
Miniature Bearings Australia
DH-200 - Datasheet
MBA
Category Information
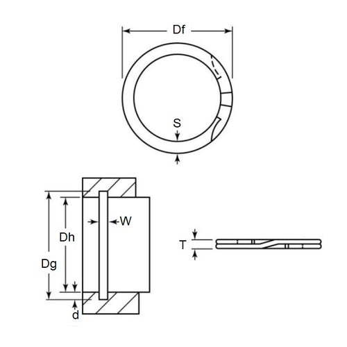
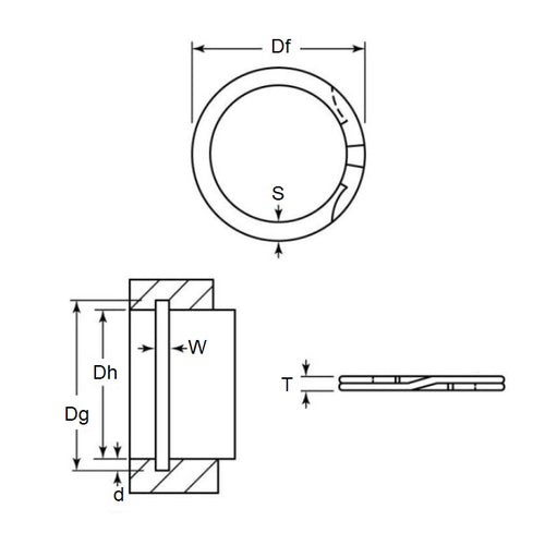
Retaining Rings - Internal - Spiral Rings - Medium Duty - Carbon SteelCarbon Steel Medium Duty Spiral Rings Internal Retaining Rings. Includes AI / WH / AS3217 / RR / MIL-R-27426B1 - Spring Steel
- An expanded range may be available on special order. Please enquire.
- Popular series that will accommodate light and medium bearing series thrust loads.
- Available in military and aerospace specifications.
- Equivalent to Associated Spring: AI, Smalley: WH, Spirolox and Ramsey: RR, Aerospace AS3217, MIL-R-27426B1
Product Data
- Housing Bore (B)
:
200.00
mm
(Equiv. 7.874 in.) - Clip Thickness (T)
3.89
mm
+/- 0.10
(Equiv. 0.153 in.) - Groove Dia. (Dg)
205.00
mm
(Equiv. 8.071 in.) - Approx. Loose Circlip OD (Dr) 206.58 mm + 1.78 / - 0.00
- Radial Wall (S) Approx. 7.88 mm +/- 0.15
- Groove Width (W) 4.15 mm +/- 0.21
- Approx. Loose Clip ID 190.82 +/- 0.08
- Groove Depth (d) 2.50
- Material Carbon Spring Steel
Product Compliance and Data
Additional Resources
View full details


