
Miniature Bearings Australia
DJK-028 - Datasheet
MBA
Category Information
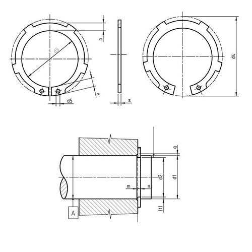
Retaining Rings - Internal - Circlips - TabbedTabbed Circlips Internal Retaining Rings. DIN984 / D2000 / Seeger JK. Retaining rings. Snap Rings (USA).
- An expanded range may be available on special order. Please enquire.
- Internal tabs are concentrically positioned for a concealed assembly.
- Tabs act as spacers for securing machine components.
Product Data
- Housing Bore (B)
:
28.00
mm
(Equiv. 1.102 in.) - Clip Thickness (T)
1.20
mm
+ 0.00 / - 0.21
(Equiv. 0.047 in.) - Groove Dia. (Dg)
29.61
mm
+ 0.00 / - 0.06
(Equiv. 1.166 in.) - Approx. Loose Circlip OD (Dr) 29.85 mm
- Radial Wall (S) Approx. 3.00 mm
- Groove Width (W) 1.30 mm
- Tool PRS-I018
- Material Carbon Spring Steel
Product Compliance and Data
Additional Resources
Cross References
- Seeger JK28-BLS
- Seeger JK28X1.2
- JK28BLS
- 2000-028
- 2000028
- D2000-028
- D2000028


