
Miniature Bearings Australia
RR-267 - Datasheet
MBA
Category Information
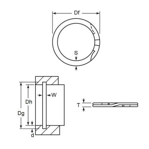
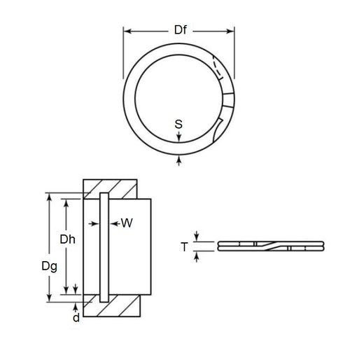
Retaining Rings - Internal - Spiral Rings - Medium Duty - Carbon SteelCarbon Steel Medium Duty Spiral Rings Internal Retaining Rings. Includes AI / WH / AS3217 / RR / MIL-R-27426B1 - Spring Steel
- An expanded range may be available on special order. Please enquire.
- Popular series that will accommodate light and medium bearing series thrust loads.
- Available in military and aerospace specifications.
- Equivalent to Associated Spring: AI, Smalley: WH, Spirolox and Ramsey: RR, Aerospace AS3217, MIL-R-27426B1
Product Data
- Housing Bore (B)
:
67.82
mm
(Equiv. 2.67 in.) - Clip Thickness (T)
1.25
mm
+/- 0.08
(Equiv. 0.049 in.) - Groove Dia. (Dg)
70.28
mm
(Equiv. 2.767 in.) - Approx. Loose Circlip OD (Dr) 70.80 mm + 0.64 / - 0.00
- Radial Wall (S) Approx. 4.01 mm +/- 0.10
- Groove Width (W) 1.47 mm +/- 0.15
- Approx. Loose Clip ID 62.78 +/- 0.05
- Material Carbon Spring Steel
Product Compliance and Data
Additional Resources
Cross References
- Associated Spring AI-267
- Smalley RR-267
- Spirolox RR-267
- Smalley WH-267
- Spirolox WH-267
- WH267
- AI267
- RR267


