Miniature Bearings Australia - MBA Minibearings
Miniature Bearings Australia

RR-200 - Datasheet

MBA

Category Information

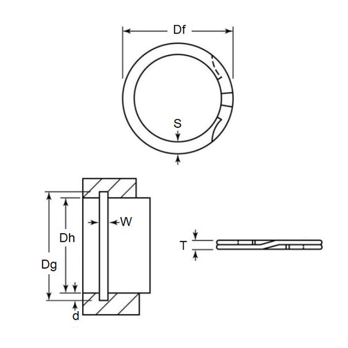
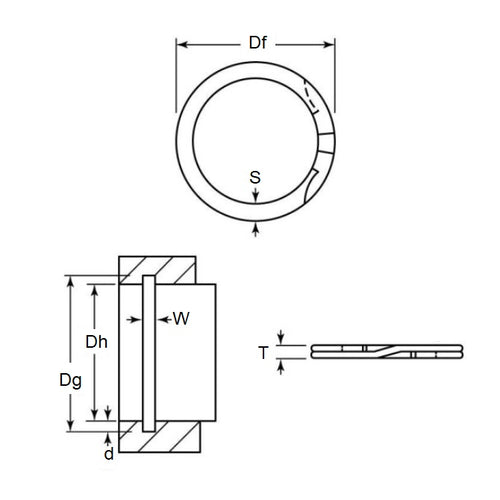
Retaining Rings - Internal - Spiral Rings - Medium Duty - Carbon Steel

Carbon Steel Medium Duty Spiral Rings Internal Retaining Rings. Includes AI / WH / AS3217 / RR / MIL-R-27426B1 - Spring Steel

  • An expanded range may be available on special order. Please enquire.
  • Popular series that will accommodate light and medium bearing series thrust loads.
  • Available in military and aerospace specifications.
  • Equivalent to Associated Spring: AI, Smalley: WH, Spirolox and Ramsey: RR, Aerospace AS3217, MIL-R-27426B1

Product Data

  • Housing Bore (B) : 50.80 mm
    (Equiv. 2 in.)
  • Clip Thickness (T) 1.25 mm +/- 0.08
    (Equiv. 0.049 in.)
  • Groove Dia. (Dg) 52.60 mm
    (Equiv. 2.071 in.)
  • Approx. Loose Circlip OD (Dr) 53.04 mm + 0.51 / - 0.00
  • Radial Wall (S) Approx. 3.25 mm +/- 0.10
  • Groove Width (W) 1.47 mm +/- 0.13
  • Approx. Loose Clip ID 46.54 +/- 0.05
  • Groove Depth (d) 0.89
  • Material Carbon Spring Steel
Country of Origin: US

Product Compliance and Data

Additional Resources

Cross References

  • 92602A250
  • Associated Spring AI-200
  • Smalley RR-200
  • Spirolox RR-200
  • Smalley WH-200
  • Spirolox WH-200
  • RR200
  • WH200
  • AI200
View full details