
Miniature Bearings Australia
RR-087 - Datasheet
MBA
Category Information
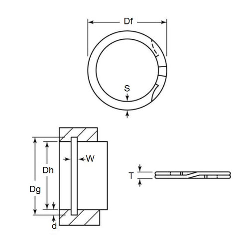
Retaining Rings - Internal - Spiral Rings - Medium Duty - Carbon SteelCarbon Steel Medium Duty Spiral Rings Internal Retaining Rings. Includes AI / WH / AS3217 / RR / MIL-R-27426B1 - Spring Steel
- An expanded range may be available on special order. Please enquire.
- Popular series that will accommodate light and medium bearing series thrust loads.
- Available in military and aerospace specifications.
- Equivalent to Associated Spring: AI, Smalley: WH, Spirolox and Ramsey: RR, Aerospace AS3217, MIL-R-27426B1
Product Data
- Housing Bore (B)
:
22.23
mm
(Equiv. 0.875 in.) - Clip Thickness (T)
0.79
mm
+/- 0.05
(Equiv. 0.031 in.) - Groove Dia. (Dg)
23.17
mm
(Equiv. 0.912 in.) - Approx. Loose Circlip OD (Dr) 23.21 mm + 0.33 / - 0.00
- Radial Wall (S) Approx. 1.65 mm +/- 0.10
- Groove Width (W) 0.95 mm +/- 0.07
- Approx. Loose Clip ID 19.91 +/- 0.04
- Groove Depth (d) 0.48
- Material Carbon Spring Steel
Product Compliance and Data
Additional Resources
Cross References
- 92602A140
- Associated Spring AI-087
- NoCor WH-087
- Smalley WH-087
- Spirolox WH-087
- WH087
- AI087


