
Miniature Bearings Australia
RR-662-S02 - Datasheet
MBA
Category Information
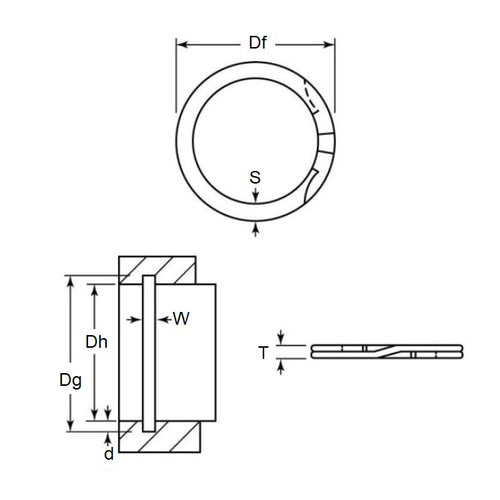
Retaining Rings - Internal - Spiral Rings - Medium Duty - Stainless SteelStainless Steel Medium Duty Spiral Rings Internal Retaining Rings. Includes AI / WH / AS3217 / RR / MIL-R-27426B1 - Stainless Steel.
- An expanded range may be available on special order. Please enquire.
- Popular series that will accommodate light and medium bearing series thrust loads.
- Available in military and aerospace specifications.
- Equivalent to Associated Spring: AI, Smalley: WH, Spirolox and Ramsey: RR, Aerospace AS3217, MIL-R-27426B1
Product Data
- Housing Bore (B)
:
168.28
mm
(Equiv. 6.625 in.) - Clip Thickness (T)
2.19
mm
+/- 0.11
(Equiv. 0.086 in.) - Groove Dia. (Dg)
172.90
mm
(Equiv. 6.807 in.) - Approx. Loose Circlip OD (Dr) 175.68 mm + 1.40 / - 0.00
- Radial Wall (S) Approx. 7.93 mm +/- 0.16
- Groove Width (W) 2.47 mm +/- 0.20
- Approx. Loose Clip ID 159.82 +/- 0.08
- Groove Depth (d) 2.31
- Material Stainless Steel 302/304 (Similar to A2, 18-8)
Product Compliance and Data
Additional Resources
Cross References
- Associated Spring AI-662-S02
- Smalley WH-662-S02
- Spirolox WH-662-S02
- AI662S02
- WH662S02


