
Miniature Bearings Australia
RR-475 - Datasheet
MBA
Category Information
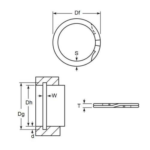
Retaining Rings - Internal - Spiral Rings - Medium Duty - Carbon SteelCarbon Steel Medium Duty Spiral Rings Internal Retaining Rings. Includes AI / WH / AS3217 / RR / MIL-R-27426B1 - Spring Steel
- An expanded range may be available on special order. Please enquire.
- Popular series that will accommodate light and medium bearing series thrust loads.
- Available in military and aerospace specifications.
- Equivalent to Associated Spring: AI, Smalley: WH, Spirolox and Ramsey: RR, Aerospace AS3217, MIL-R-27426B1
Product Data
- Housing Bore (B)
:
120.65
mm
(Equiv. 4.75 in.) - Clip Thickness (T)
1.83
mm
+/- 0.08
(Equiv. 0.072 in.) - Groove Dia. (Dg)
124.21
mm
(Equiv. 4.89 in.) - Approx. Loose Circlip OD (Dr) 125.96 mm + 0.89 / - 0.00
- Radial Wall (S) Approx. 6.35 mm +/- 0.13
- Groove Width (W) 2.01 mm +/- 0.16
- Approx. Loose Clip ID 113.26 +/- 0.06
- Groove Depth (d) 1.78
- Material Carbon Spring Steel
Product Compliance and Data
Additional Resources
Cross References
- NoCor RR-475
- Ramsey RR-475
- Spirolox RR-475
- Smalley WH-475
- Spirolox WH-475
- WH475


