
Miniature Bearings Australia
RRN-433 - Datasheet
MBA
Category Information
Retaining Rings - Internal - Spiral Rings - Heavy Duty - Carbon SteelCarbon Steel Heavy Duty Spiral Rings Internal Retaining Rings. Includes AHI / WHM / AS3215 / RRN / MIL-R-27426B2 - Spring Steel
- An expanded range may be available on special order. Please enquire.
- Heavy duty design for use with NAS669-670 deep grooves in applications like double row and tapered roller bearings.
- Requires no tools for removal.
- Equivalent to Associated Spring: AHI, Smalley: WHM, Spirolox and Ramsey: RRN, Aerospace AS3215, MIL-R-27426B2
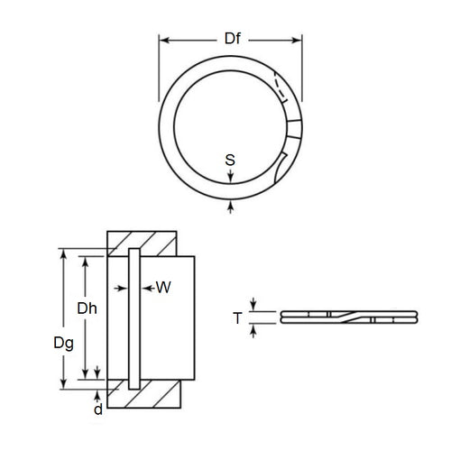
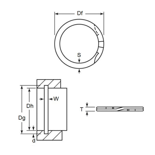
Product Data
- Housing Bore (B)
:
109.98
mm
(Equiv. 4.33 in.) - Clip Thickness (T)
2.82
mm
+/- 0.08
(Equiv. 0.111 in.) - Groove Dia. (Dg)
115.72
mm
(Equiv. 4.556 in.) - Approx. Loose Circlip OD (Dr) 117.35 mm + 0.89 / - 0.00
- Radial Wall (S) Approx. 7.93 mm +/- 0.16
- Groove Width (W) 3.12 mm +/- 0.15
- Approx. Loose Clip ID 101.49 +/- 0.07
- Groove Depth (d) 3.05
- Material Carbon Spring Steel
Product Compliance and Data
Additional Resources
Cross References
- Associated Spring AHI-433
- Smalley WHM-433
- WHM433
- AHI433


