
Miniature Bearings Australia
WRE-0762-SQ-HO - Datasheet
MBA
Category Information
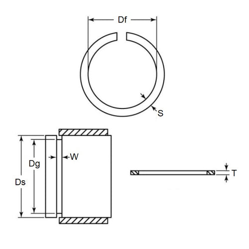
Retaining Rings - External - Snap Rings - Carbon SteelCarbon Steel Snap Rings External Retaining Rings. Includes series M3200 / SP / ESP / M2400 / SW snaprings. Similar to a circlip without the lugs.
- An expanded range may be available on special order. Please enquire.
- Carbon sping steel
- Used on the outside diameter of a bearing, shaft or similar equipment
Product Data
- Shaft or Bearing OD (d1)
:
76.20
mm
(Equiv. 3 in.) - Clip Thickness (T)
7.93
mm
+/- 0.08
(Equiv. 0.312 in.) - Groove Dia. (Dg)
72.24
mm
+ 0.10 / - 0.00
(Equiv. 2.844 in.) - Approx. Loose Circlip ID (A) 71.53 mm + 0.00 / - 2.00
- Radial Wall (S) Approx. 7.93 mm +/- 0.08
- Groove Width (W) 8.31 mm
- Approx. Loose Clip OD 87.39
- Info Radial Assembly - Open Gap
- Section Profile Square Section
- Material Carbon Spring Steel
Product Compliance and Data
Additional Resources
Cross References
- Eaton 400-267
- Arcon CSO-267
- NoCor XSO-267
- 400267
- A0600267
- A0600-267
- XSO267
- CSO267


