
Miniature Bearings Australia
WRE-0603-LS-N - Datasheet
MBA
Category Information
Retaining Rings - External - Snap Rings - Carbon SteelCarbon Steel Snap Rings External Retaining Rings. Includes series M3200 / SP / ESP / M2400 / SW snaprings. Similar to a circlip without the lugs.
- An expanded range may be available on special order. Please enquire.
- Carbon sping steel
- Used on the outside diameter of a bearing, shaft or similar equipment
Product Data
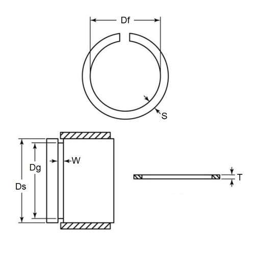
- Shaft or Bearing OD (d1)
:
60.33
mm
(Equiv. 2.375 in.) - Clip Thickness (T)
1.98
mm
+/- 0.05
(Equiv. 0.078 in.) - Groove Dia. (Dg)
56.87
mm
+/- 0.15
(Equiv. 2.239 in.) - Approx. Loose Circlip ID (A) 56.36 mm + 0.00 / - 1.50
- Radial Wall (S) Approx. 5.16 mm +/- 0.13
- Groove Width (W) 2.18 mm
- Approx. Loose Clip OD 66.68
- Info Notched
- Section Profile Rectangular with Square Edge
- Material Carbon Spring Steel
Product Compliance and Data
Additional Resources
Cross References
- Eaton EN-237
- NoCor USH-237
- Rotorclip USH-237
- EN237
- WRE0603SRN
- USH237


