
Miniature Bearings Australia
WRE-0286-SQ-HO - Datasheet
MBA
Category Information
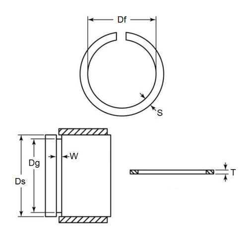
Retaining Rings - External - Snap Rings - Carbon SteelCarbon Steel Snap Rings External Retaining Rings. Includes series M3200 / SP / ESP / M2400 / SW snaprings. Similar to a circlip without the lugs.
- An expanded range may be available on special order. Please enquire.
- Carbon sping steel
- Used on the outside diameter of a bearing, shaft or similar equipment
Product Data
- Shaft or Bearing OD (d1)
:
28.58
mm
(Equiv. 1.125 in.) - Clip Thickness (T)
3.56
mm
+/- 0.05
(Equiv. 0.14 in.) - Groove Dia. (Dg)
26.80
mm
+ 0.08 / - 0.00
(Equiv. 1.055 in.) - Approx. Loose Circlip ID (A) 26.52 mm + 0.00 / - 0.90
- Radial Wall (S) Approx. 3.56 mm +/- 0.05
- Groove Width (W) 3.76 mm
- Approx. Loose Clip OD 33.64
- Info Radial Assembly - Open Gap
- Section Profile Square Section
- Material Carbon Spring Steel
Product Compliance and Data
Additional Resources
Cross References
- Eaton 400-243
- Arcon CSO-243
- NoCor XSO-243
- 400243
- A0600-243
- A0600243
- XSO243
- CSO243


