
Miniature Bearings Australia
WRE-0286-LS-L - Datasheet
MBA
Category Information
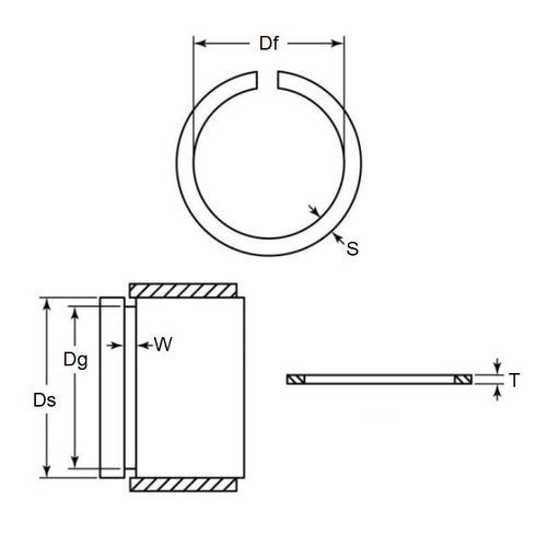
Retaining Rings - External - Snap Rings - Carbon SteelCarbon Steel Snap Rings External Retaining Rings. Includes series M3200 / SP / ESP / M2400 / SW snaprings. Similar to a circlip without the lugs.
- An expanded range may be available on special order. Please enquire.
- Carbon sping steel
- Used on the outside diameter of a bearing, shaft or similar equipment
Product Data
- Shaft or Bearing OD (d1)
:
28.58
mm
(Equiv. 1.125 in.) - Clip Thickness (T)
1.07
mm
+/- 0.05
(Equiv. 0.042 in.) - Groove Dia. (Dg)
27.36
mm
+/- 0.08
(Equiv. 1.077 in.) - Approx. Loose Circlip ID (A) 40.77 mm - 0.00 / + 0.80
- Radial Wall (S) Approx. 3.18 mm +/- 0.13
- Groove Width (W) 1.17 mm
- Approx. Loose Clip OD 47.13
- Info Light Duty
- Section Profile Rectangular with Square Edge
- Material Carbon Spring Steel
Product Compliance and Data
Additional Resources
Cross References
- Eaton XD-112
- NoCor XD-112
- WRE0286SRL
- XD112


