
Miniature Bearings Australia
WRE-2650-LS - Datasheet
MBA
Category Information
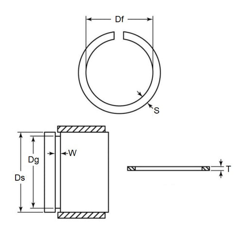
Retaining Rings - External - Snap Rings - Carbon SteelCarbon Steel Snap Rings External Retaining Rings. Includes series M3200 / SP / ESP / M2400 / SW snaprings. Similar to a circlip without the lugs.
- An expanded range may be available on special order. Please enquire.
- Carbon sping steel
- Used on the outside diameter of a bearing, shaft or similar equipment
Product Data
- Shaft or Bearing OD (d1)
:
265.00
mm
(Equiv. 10.433 in.) - Clip Thickness (T)
4.00
mm
+ 0 / - 0.10
(Equiv. 0.157 in.) - Groove Dia. (Dg)
260.00
mm
+ 0 / - 0.32
(Equiv. 10.236 in.) - Approx. Loose Circlip ID (A) 257.40 mm
- Radial Wall (S) Approx. 7.50 mm + 0 / - 0.10
- Groove Width (W) 4.20 mm
- Approx. Loose Clip OD 272.4
- Section Profile Rectangular with Square Edge
- Material Carbon Spring Steel
Product Compliance and Data
Additional Resources
Cross References
- NoCor DSW-265
- DSW265
- WRE2650SQ


