
Miniature Bearings Australia
WRE-1334-LS - Datasheet
MBA
Category Information
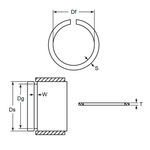
Retaining Rings - External - Snap Rings - Carbon SteelCarbon Steel Snap Rings External Retaining Rings. Includes series M3200 / SP / ESP / M2400 / SW snaprings. Similar to a circlip without the lugs.
- An expanded range may be available on special order. Please enquire.
- Carbon sping steel
- Used on the outside diameter of a bearing, shaft or similar equipment
Product Data
- Shaft or Bearing OD (d1)
:
133.35
mm
(Equiv. 5.25 in.) - Clip Thickness (T)
3.18
mm
+/- 0.05
(Equiv. 0.125 in.) - Groove Dia. (Dg)
127.76
mm
+/- 0.15
(Equiv. 5.03 in.) - Approx. Loose Circlip ID (A) 126.24 mm + 0.00 / - 3.18
- Radial Wall (S) Approx. 9.53 mm +/- 0.13
- Groove Width (W) 3.53 mm
- Approx. Loose Clip OD 145.3
- Info Basic
- Section Profile Rectangular with Square Edge
- Material Carbon Spring Steel
Product Compliance and Data
Additional Resources
Cross References
- NoCor USC-525
- Rotorclip USC-525
- Eaton XAN-525
- WRE1334SR
- USC525
- XAN525


