
Miniature Bearings Australia
PLST-060M-127-TAC-022 - Datasheet
MBA
Category Information
Plungers - Spring Threaded Adapter - Non Locking - SteelSteel Non Locking Spring Threaded Adapter Plungers. Use your own handle on the thread provided.
- Items shown with Long-Lok have a dry threadlocking sealant applied to thread.
Product Data
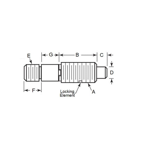
- Body Thread Size (A) : M6 (6x1mm)
- Major Thread Length (B)
12.7
mm
(Equiv. 0.5 in.) - Initial Pressure (F1) 4.5 N
- Final Pressure (F2) 22.0 N
- Tip Diameter (D) 3.0 mm
- Tip Length (C) 3.2 mm
- End Thread Size (E) 10-32 UNC (4.762mm)
- End Thread Length (F) 5.9 mm
- Material Steel
Product Compliance and Data
Additional Resources
Cross References
- PLST060127TAC022


