Miniature Bearings Australia - MBA Minibearings
Miniature Bearings Australia

BF0500-0550-0500-PW - Datasheet

Iglidur

Category Information

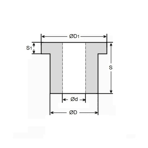
Bushes - Flanged - Plastic - Iglidur W300

Iglidur W300 Plastic Flanged Bushes. Low co-efficient of friction. High wear resistance. Chemical resistant.

  • An expanded range may be available on special order. Please enquire.
  • Specific Gravity 1.24 g/cm3.
  • Operating Temp 180 C short term / 90 C long term.
  • Tensile Strength at 20 Deg C = 125 Mpa.
  • Hardness 77 Shore D (DIN53505).
  • Bushing bore tolerance shown is after a H7 press fit.

Product Data

  • Nominal Inside Diameter (d) : 50.000 mm + 0.050 / + 0.150
    (Equiv. 1.969 in.)
  • Nominal Outside Diameter (D) 55.000 mm
    (Equiv. 2.165 in.)
  • Length (s) 50.000 mm + 0.000 / - 0.390
    (Equiv. 1.969 in.)
  • Flange OD (D1) 63.00 mm
  • Flange Thickness (s1) 2.00 mm
  • Material Iglidur W300
Country of Origin: DE

Product Compliance and Data

Additional Resources

Cross References

  • Igus WFM-5055-50
  • WFM505550
View full details