
Miniature Bearings Australia
BF0381-0421-0381-PW - Datasheet
Iglidur
Category Information
Bushes - Flanged - Plastic - Iglidur W300Iglidur W300 Plastic Flanged Bushes. Low co-efficient of friction. High wear resistance. Chemical resistant.
- An expanded range may be available on special order. Please enquire.
- Specific Gravity 1.24 g/cm3.
- Operating Temp 180 C short term / 90 C long term.
- Tensile Strength at 20 Deg C = 125 Mpa.
- Hardness 77 Shore D (DIN53505).
- Bushing bore tolerance shown is after a H7 press fit.
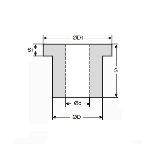
Product Data
- Nominal Inside Diameter (d)
:
38.100
mm
+ 0.050 / + 0.150
(Equiv. 1.5 in.) - Nominal Outside Diameter (D)
42.069
mm
(Equiv. 1.656 in.) - Length (s)
38.100
mm
+ 0.000 / - 0.390
(Equiv. 1.5 in.) - Flange OD (D1) 50.80 mm
- Flange Thickness (s1) 1.98 mm
- Material Iglidur W300
Product Compliance and Data
Additional Resources
- DU Bush Material Information
- General Bushes Catalogue
- Sintered Bronze Products Catalogue
- Solid Bronze Bushes catalogue
Cross References
- Igus LFI-2426-24
- LFI242624


