
Miniature Bearings Australia
BP0095-0111-0127-PH3 - Datasheet
Iglidur
Category Information
Bushes - Unflanged - Plastic - Iglidur H370Iglidur H370 Plastic Unflanged Bushes. Underwater. High Temp. Chemical Resistant. High mechanical loading and wear resistance.
- An expanded range may be available on special order. Please enquire.
- Specific Gravity 1.60 g/cm3.
- Operating Temp 240 C short term / 200 C long term.
- Tensile Strength at 20 Deg C = 135 Mpa.
- Hardness 82 Shore D (DIN53505).
- Bushing bore tolerance shown is after a H7 press fit.
Product Data
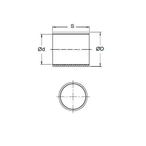
- Nominal Inside Diameter (d)
:
9.525
mm
+ 0.013 / + 0.071
(Equiv. 0.375 in.) - Nominal Outside Diameter (D)
11.113
mm
(Equiv. 0.438 in.) - Length (s)
12.700
mm
+ 0.000 / - 0.270
(Equiv. 0.5 in.) - Material Iglidur H370
Product Compliance and Data
Additional Resources
- DU Bush Material Information
- General Bushes Catalogue
- Sintered Bronze Products Catalogue
- Solid Bronze Bushes catalogue
Cross References
- Igus H370SI-0607-08
- Igus H370SI-1011-13
- H370SI060708
- H370SI101113


