
Miniature Bearings Australia
BF0100-0116-0100-PCB - Datasheet
Iglidur
Category Information
Bushes - Clip - Bevelled EdgeBevelled Edge Clip Bushes. Used as a light duty split bearing.
- Low clearance. Maintenance free. Economical. High Precision. High wear resistance.
- Light weight.
- M250 Polymer minus 40 Deg C to 80 Deg C (minus 40 Deg F to 176 Deg F)
Product Data
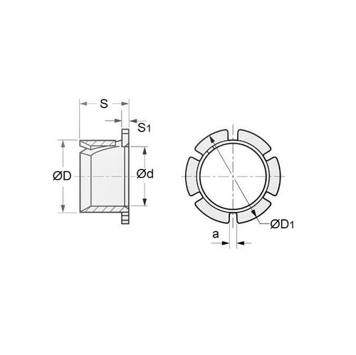
- Nominal Inside Diameter (d)
:
10.000
mm
+0.025 / +0.075
(Equiv. 0.394 in.) - Nominal Outside Diameter (D)
11.600
mm
(Equiv. 0.457 in.) - Overall Length
10.000
mm
+0.000 / -0.400
(Equiv. 0.394 in.) - Flange Dia (D1) 15.000 mm -0.400 / +0.400
- Flange Width (S1) 0.8 mm +0.000 / -0.130
- Min Housing Bore 11.330 mm
- Max Housing Bore 11.600 mm
- Min Shaft Size 9.975 mm
- Max Shaft Size 10.000 mm
- Sheet Metal Thickness 1.000
- Material Plastic
Product Compliance and Data
Additional Resources
- DU Bush Material Information
- General Bushes Catalogue
- Sintered Bronze Products Catalogue
- Solid Bronze Bushes catalogue
Cross References
- S99GMYM101210


