Miniature Bearings Australia - MBA Minibearings
Miniature Bearings Australia

RPI-095-096-C - Datasheet

MBA

Category Information

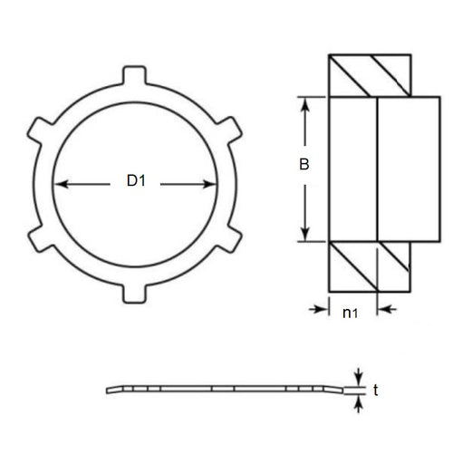
Retaining Rings - Push In Carbon Steel

Push In Carbon Steel Retaining Rings. Thrust load shown is calculated for ideal conditions with mild steel bore.

    Product Data

    • Housing Bore (B) Min : 9.50 mm
      (Equiv. 0.374 in.)
    • Housing Bore (B) Max 9.56 mm
      (Equiv. 0.376 in.)
    • Inside Clearance (D1) 4.45 mm + / - 0.13
      (Equiv. 0.175 in.)
    • Thickness (t) 0.25 mm +/- 0.03
    • Recommended Depth (n1) 1.02 mm
    • Thrust Load 1037 kg.cm
    • Material Carbon Spring Steel Self Finish
    Country of Origin: US

    Product Compliance and Data

    Additional Resources

      Cross References

      • 98435A134
      • Small Parts RSI-6
      • NoCor TI-037
      • TI037
      • RSI6
      • N1305-0037APP
      • N13050037APP
      • N1305-0037-APP
      View full details