
Miniature Bearings Australia
RPO-089-090-SP15 - Datasheet
MBA
Category Information
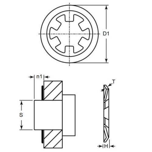
Retaining Rings - Push On - Stainless SteelStainless Steel Push On Retaining Rings. Rotor Clip TY. Stainless Steel hardness HR15N 82.5-86
- An expanded range may be available on special order. Please enquire.
- PH 15-7/17-7 Stainless Steel and 1.4310 Stainless Steel
Product Data
- Min shaft size (s1)
:
8.95
mm
(Equiv. 0.352 in.) - Max Shaft Size (s2)
9.00
mm
(Equiv. 0.354 in.) - Outside diameter (D1)
18.44
mm
(Equiv. 0.726 in.) - Min shaft extension (n1) 1.02 mm
- Height (H) Max. 2.000 (Capped Edges) mm
- Material Thickness (t) 0.305 mm
- Approx. Thrust Load 100 kg
- Number of prongs 6
- Approx. Push On Force 21 kg
- Material Stainless Steel Grade PH15-7-17
Product Compliance and Data
Additional Resources
Cross References
- Bossard 3820285
- ExaktKey S6708
- NoCor S6708
- Springmaster S6708
- Starlock S6708
- XOSpring S6708


