
Miniature Bearings Australia
REF-079-L-CB - Datasheet
MBA
Category Information
Rod Ends - Female - Steel - Plain - Bronze LinedBronze Lined Plain Steel Female Rod Ends. Imperial and Metric / Carbon Steel. Also known as Heim Joints
- An expanded range may be available on special order. Please enquire.
- Dimensions not shown are available on request.
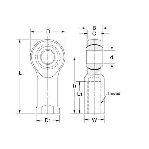
Product Data
- Eye Size (d1)
:
7.938
mm
(Equiv. 0.313 in.) - Overall Length (L)
46.02
mm
(Equiv. 1.812 in.) - Thread Size (T) 5/16-24 UNF Left
- Thread Length (l2) 19.05 mm
- Head Width (W) 8.74 mm
- Eye Width (W1) 11.10 mm
- Head Diameter (D) 22.23 mm
- Centre Height (l1) 34.93 mm
- Grease Nipple No
- Body Width/Flange Width(W2/D3) 11.10 / 12.70 mm
- Material Bronze Lined Steel
Product Compliance and Data
Additional Resources
Cross References
- 6072K164-LEFT
- ASAHI JAFB5L
- KWK KFB5L
- IKO PHSB5L
- Nachi PHSB-5L
- NTN SFI-B5L
- 6072K164LEFT
- SFIB5L


