
Miniature Bearings Australia
SE064-127-445-G3A - Datasheet
MBA
Category Information
Shaft ExtendersShaft Extenders. Miniature and large shaft extenders and reducers. Used to increase or reduce the diameter, or increase the length of shafts.
- This category will be discontinued when the remaining items are sold.
- All items are priced to quit.
- Backorders or orders for previously listed items in the category may still be possible - please enquire.
- Also known as shaft increasers or shaft reducers.
Product Data
Deleted Item. Available while stocks last.
Please contact us first if you wish to use this item in a new design so we can check whether production can be resumed.
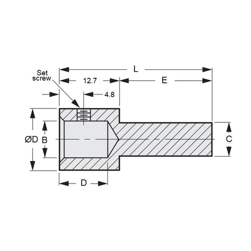
- Bore (B)
:
6.350
mm
+ 0.051 / - 0.000
(Equiv. 0.25 in.) - Shaft Diameter (C)
12.7
mm
+ 0.051 / - 0.000
(Equiv. 0.5 in.) - Overall Length (L)
44.45
mm
(Equiv. 1.75 in.) - Shaft Length (E) 31.75 mm
- Bore Depth (D) 11.13 mm
- Outside Diameter (OD) 12.70 mm
- Configuration Set Screw Type
- Material Stainless Steel 303/304 (Similar to A2, 18-8) HRB80
Product Compliance and Data
Additional Resources
Cross References
- A 7X 3-0816B
- A7X3-0816B
- A7X30816B


