
Miniature Bearings Australia
RPO-063-064-C - Datasheet
MBA
Category Information
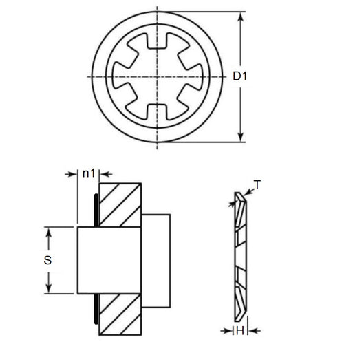
Retaining Rings - Push On - Carbon SteelCarbon Steel Push On Retaining Rings. M1465 / DTX / Seeger ZA and KS.
- An expanded range may be available on special order. Please enquire.
- Thrust load shown is calculated for ideal conditions with mild steel shaft.
- If no thrust load is shown, testing is suggested.
Product Data
- Min shaft size (s1)
:
6.32
mm
(Equiv. 0.249 in.) - Max Shaft Size (s2)
6.38
mm
(Equiv. 0.251 in.) - Outside diameter (D1)
11.43
mm
(Equiv. 0.45 in.) - Min shaft extension (n1) 1.02 mm
- Material Thickness (t) 1.02 mm
- Material Carbon Steel
Product Compliance and Data
Additional Resources
Cross References
- Waldes 5105-025
- IRR 6100-025
- Small Parts RSE-4
- NoCor TY-025
- Rotor Clip TY-025
- TY025
- RSE4
- 6100025
- 5105025


