
Miniature Bearings Australia
CC-063-071-SS - Datasheet
MBA
Category Information
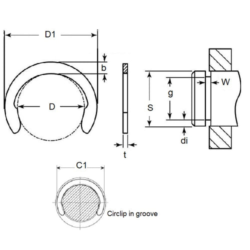
Retaining Rings - CrescentCrescent Retaining Rings. Variation of an E-Clip with an open face. Also known as a C-Clip.
- Narrow section height provides good clearance capabilities.
- Absence of teeth and deep set mean less thrust load ratings than e-clips.
- For best results install using the recommended applicator tool.
Product Data
- Groove Diameter (G)
:
6.27
mm
(Equiv. 0.247 in.) - Shaft Diameter (S)
7.14
mm
(Equiv. 0.281 in.) - Thickness (t)
0.64
mm
(Equiv. 0.025 in.) - Clip OD in groove (C1) 9.14 mm
- Clip OD Loose (D1) 8.79 mm
- Groove Width (W) 0.74
- Material Stainless Steel Grade PH15-7-17
Product Compliance and Data
Additional Resources
Cross References
- Military 16632-028-SS/B
- Military 16632-028-SS-B
- Waldes 5103-028-SS/B
- Waldes 5103-028-SS-B
- Ellison 9103-028-SS/B
- Ellison 9103-028-SS-B
- 98808A330
- NoCor C-028-SS/B
- Rotor Clip C-028-SS/B
- NoCor C-028-SS-B
- Rotor Clip C-028-SS-B
- C028SS/B
- C028SSB
- 5103028SS/B
- 5103028SSB
- 16632028SSB
- 16632028SS/B
- 9103028SS/B
- 9103028SSB
- N1800028SS/B
- N1800-028-SS/B
- N1800028SSB
- N1800-028-SS-B


