
Miniature Bearings Australia
RPO-063-065-SP15 - Datasheet
MBA
Category Information
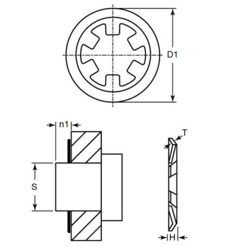
Retaining Rings - Push On - Stainless SteelStainless Steel Push On Retaining Rings. Rotor Clip TY. Stainless Steel hardness HR15N 82.5-86
- An expanded range may be available on special order. Please enquire.
- PH 15-7/17-7 Stainless Steel and 1.4310 Stainless Steel
Product Data
- Min shaft size (s1)
:
6.25
mm
(Equiv. 0.246 in.) - Max Shaft Size (s2)
6.45
mm
(Equiv. 0.254 in.) - Outside diameter (D1)
13.00
mm
(Equiv. 0.512 in.) - Min shaft extension (n1) 1.88 mm
- Material Thickness (t) 0.38 mm
- Material Stainless Steel Grade PH15-7-17
Product Compliance and Data
Additional Resources
Cross References
- Waldes 5115-025-SS
- NoCor TX-025-SS
- Rotor Clip TX-025-SS
- N1465-025-SS
- N1465025SS
- 5115025SS
- TX025SS


