Miniature Bearings Australia - MBA Minibearings
Miniature Bearings Australia

UR-218 - Datasheet

MBA

Category Information

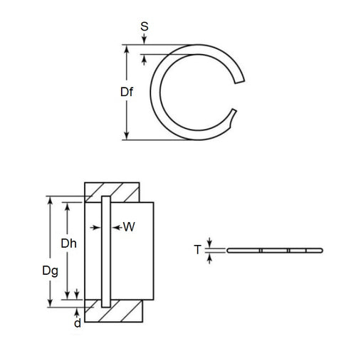
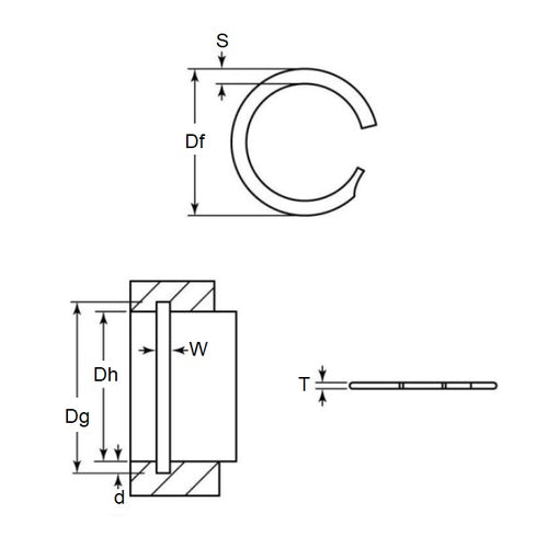
Retaining Rings - Internal - Spiral Rings - Light Duty - Carbon Steel

Carbon Steel Light Duty Spiral Rings Internal Retaining Rings. Includes series CI / VH / UR - Spring Steel

  • An expanded range may be available on special order. Please enquire.
  • Light duty rings for use in low clearance applications.
  • Also used as a positioning point for light loads.
  • Radius notch on one end for removal.
  • Narrow radial wall yields moderate thrust loads.
  • Equivalent to Associated Spring: CI, Smalley: VH, Spirolox and Ramsey: UR

Product Data

Deleted Item. Available while stocks last.

Please contact us first if you wish to use this item in a new design so we can check whether production can be resumed.

  • Housing Bore (B) : 55.55 mm
    (Equiv. 2.187 in.)
  • Clip Thickness (T) 0.79 mm +/- 0.05
    (Equiv. 0.031 in.)
  • Groove Dia. (Dg) 57.48 mm
    (Equiv. 2.263 in.)
  • Approx. Loose Circlip OD (Dr) 58.22 mm + 0.64 / - 0.00
  • Radial Wall (S) Approx. 4.01 mm + 0.08 / - 0.13
  • Groove Width (W) 1.00 mm +/- 0.15
  • Approx. Loose Clip ID 50.2 + 0.07 / - 0.00
  • Groove Depth (d) 0.97
  • Material Carbon Spring Steel
Country of Origin: US

Product Compliance and Data

Additional Resources

Cross References

  • Associated Spring CI-218
  • Smalley UR-218
  • Spirolox UR-218
  • Smalley VH-218
  • UR218
  • VH218
  • CI218
View full details