Miniature Bearings Australia - MBA Minibearings
Miniature Bearings Australia

UR-200 - Datasheet

MBA

Category Information

Retaining Rings - Internal - Spiral Rings - Light Duty - Carbon Steel

Carbon Steel Light Duty Spiral Rings Internal Retaining Rings. Includes series CI / VH / UR - Spring Steel

  • An expanded range may be available on special order. Please enquire.
  • Light duty rings for use in low clearance applications.
  • Also used as a positioning point for light loads.
  • Radius notch on one end for removal.
  • Narrow radial wall yields moderate thrust loads.
  • Equivalent to Associated Spring: CI, Smalley: VH, Spirolox and Ramsey: UR

Product Data

Deleted Item. Available while stocks last.

Please contact us first if you wish to use this item in a new design so we can check whether production can be resumed.

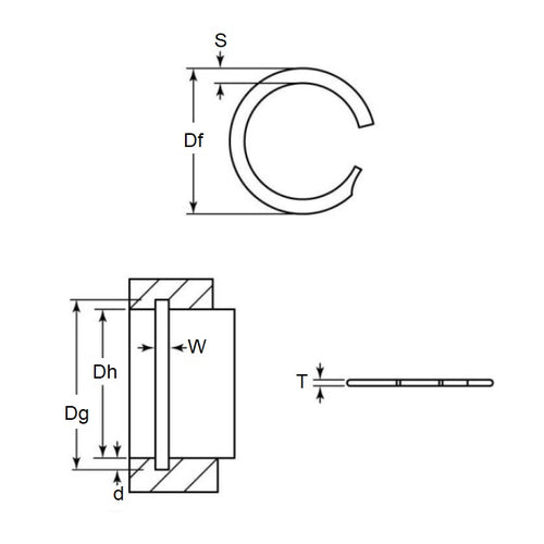
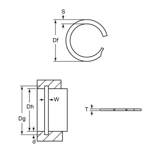
  • Housing Bore (B) : 50.80 mm
    (Equiv. 2 in.)
  • Clip Thickness (T) 0.79 mm +/- 0.05
    (Equiv. 0.031 in.)
  • Groove Dia. (Dg) 52.25 mm
    (Equiv. 2.057 in.)
  • Approx. Loose Circlip OD (Dr) 53.24 mm + 0.51 / - 0.00
  • Radial Wall (S) Approx. 3.00 mm + 0.08 / - 0.13
  • Groove Width (W) 1.00 mm +/- 0.13
  • Approx. Loose Clip ID 47.24 + 0.07 / - 0.00
  • Groove Depth (d) 0.74
  • Material Carbon Spring Steel
Country of Origin: US

Product Compliance and Data

Additional Resources

Cross References

  • 91663A660
  • Associated Spring CI-200
  • Smalley UR-200
  • Spirolox UR-200
  • Smalley VH-200
  • UR200
  • VH200
  • CI200
View full details