
Miniature Bearings Australia
RPI-508-509-C - Datasheet
MBA
Category Information
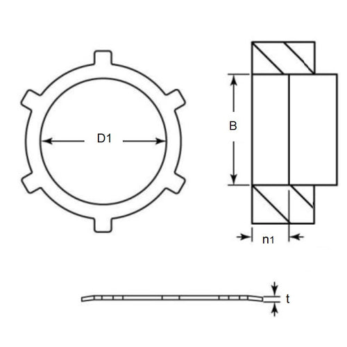
Retaining Rings - Push In Carbon SteelPush In Carbon Steel Retaining Rings. Thrust load shown is calculated for ideal conditions with mild steel bore.
Product Data
- Housing Bore (B) Min
:
50.75
mm
(Equiv. 1.998 in.) - Housing Bore (B) Max
50.85
mm
(Equiv. 2.002 in.) - Inside Clearance (D1)
40.64
mm
+ / - 0.50
(Equiv. 1.6 in.) - Thickness (t) 0.38 mm +/- 0.06
- Recommended Depth (n1) 1.52 mm
- Thrust Load 760 kg.cm
- Material Carbon Spring Steel Self Finish
Product Compliance and Data
Additional Resources
Cross References
- 98435A160
- NoCor TI-200
- TI200
- N13050200APP
- N1305-0200APP
- N1305-0200-APP


