
Miniature Bearings Australia
PLST-079C-159-TAC-027 - Datasheet
MBA
Category Information
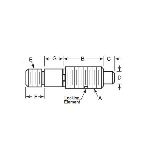
Plungers - Spring Threaded Adapter - Non Locking - SteelSteel Non Locking Spring Threaded Adapter Plungers. Use your own handle on the thread provided.
- Items shown with Long-Lok have a dry threadlocking sealant applied to thread.
Product Data
- Body Thread Size (A) : 5/16-18 UNC (7.94mm)
- Major Thread Length (B)
15.9
mm
(Equiv. 0.626 in.) - Initial Pressure (F1) 6.7 N
- Final Pressure (F2) 26.7 N
- Tip Diameter (D) 3.9 mm
- Tip Length (C) 4.8 mm
- End Thread Size (E) 1/4-20 UNC (6.350mm)
- End Thread Length (F) 8.7 mm
- Material Steel
Product Compliance and Data
Additional Resources
Cross References
- NRP53
- NRP-53


