Miniature Bearings Australia - MBA Minibearings
Miniature Bearings Australia

CC-040-050-C - Datasheet

MBA

Category Information

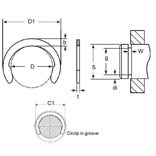
Retaining Rings - Crescent

Crescent Retaining Rings. Variation of an E-Clip with an open face. Also known as a C-Clip.

  • Narrow section height provides good clearance capabilities.
  • Absence of teeth and deep set mean less thrust load ratings than e-clips.
  • For best results install using the recommended applicator tool.

Product Data

  • Groove Diameter (G) : 4.00 mm
    (Equiv. 0.157 in.)
  • Shaft Diameter (S) 5.00 mm
    (Equiv. 0.197 in.)
  • Thickness (t) 0.6 mm
    (Equiv. 0.024 in.)
  • Clip OD in groove (C1) 6.40 mm
  • Clip OD Loose (D1) 6.20 mm
  • Groove Width (W) 0.64
  • Material Carbon Spring Steel Self Finish
Country of Origin: US

Product Compliance and Data

Additional Resources

    Cross References

    • 97414A615
    • NoCor DC-005
    • M18000050APP
    • M1800-0050APP
    • DC005
    View full details