
Miniature Bearings Australia
RPI-444-445-C - Datasheet
MBA
Category Information
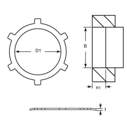
Retaining Rings - Push In Carbon SteelPush In Carbon Steel Retaining Rings. Thrust load shown is calculated for ideal conditions with mild steel bore.
Product Data
- Housing Bore (B) Min
:
44.40
mm
(Equiv. 1.748 in.) - Housing Bore (B) Max
44.50
mm
(Equiv. 1.752 in.) - Inside Clearance (D1)
36.53
mm
+ / - 0.50
(Equiv. 1.438 in.) - Thickness (t) 0.38 mm +/- 0.06
- Recommended Depth (n1) 1.52 mm
- Thrust Load 760 kg.cm
- Material Carbon Spring Steel Self Finish
Product Compliance and Data
Additional Resources
Cross References
- 98435A155
- NoCor TI-175
- TI175
- N1305-0175APP
- N1305-0175-APP
- N13050175APP


