
Miniature Bearings Australia
RRT-175 - Datasheet
MBA
Category Information
Retaining Rings - Internal - Spiral Rings - Medium-Heavy Duty - Carbon SteelCarbon Steel Medium-Heavy Duty Spiral Rings Internal Retaining Rings. Includes Series AMI / WHT / Spirolox RRT - Spring Steel
- An expanded range may be available on special order. Please enquire.
- Originally designed to fit NAS50-51 grooves, this series is a popular OEM specification.
- This two/three turn design is easier to install than the heavy duty RRN option.
- Equivalent to Associated Spring: AMI, Smalley: WHT, Spirolox and Ramsey: RRT
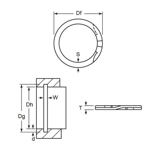
Product Data
- Housing Bore (B)
:
44.45
mm
(Equiv. 1.75 in.) - Clip Thickness (T)
1.58
mm
+/- 0.08
(Equiv. 0.062 in.) - Groove Dia. (Dg)
46.87
mm
(Equiv. 1.845 in.) - Approx. Loose Circlip OD (Dr) 47.21 mm + 0.51 / - 0.00
- Radial Wall (S) Approx. 3.00 mm +/- 0.10
- Groove Width (W) 1.78 mm +/- 0.13
- Approx. Loose Clip ID 41.21 +/- 0.05
- Groove Depth (d) 1.22
- Material Carbon Spring Steel
Product Compliance and Data
Additional Resources
Cross References
- Associated Spring AMI-175
- Smalley WHT-175
- WHT175
- AMI175


