
Miniature Bearings Australia
PLSP-048-112-S3-020 - Datasheet
MBA
Category Information
Plungers - Spring Push Fit - Stainless - Stainless NoseStainless Nose Stainless Spring Push Fit Plungers. 300 series stainless with 17-7 stainless spring
Product Data
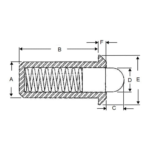
- Body Diameter (A)
:
4.78
mm
+ 0.1 / - 0.0
(Equiv. 0.188 in.) - Body Length (B)
11.2
mm
(Equiv. 0.441 in.) - Initial Pressure (F1) 6.7 N
- Final Pressure (F2) 20.0 N
- Tip Diameter (D) 3.1 mm
- Tip Length (C) 2.4 mm
- Drive Push Fit
- Material Stainless Steel
Product Compliance and Data
Additional Resources
Cross References
- 8682A71
- SPFP52
- SPFP-52


