Miniature Bearings Australia - MBA Minibearings
Miniature Bearings Australia

RRT-150 - Datasheet

MBA

Category Information

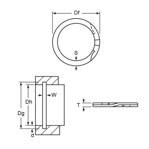
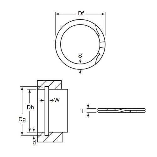
Retaining Rings - Internal - Spiral Rings - Medium-Heavy Duty - Carbon Steel

Carbon Steel Medium-Heavy Duty Spiral Rings Internal Retaining Rings. Includes Series AMI / WHT / Spirolox RRT - Spring Steel

  • An expanded range may be available on special order. Please enquire.
  • Originally designed to fit NAS50-51 grooves, this series is a popular OEM specification.
  • This two/three turn design is easier to install than the heavy duty RRN option.
  • Equivalent to Associated Spring: AMI, Smalley: WHT, Spirolox and Ramsey: RRT

Product Data

  • Housing Bore (B) : 38.10 mm
    (Equiv. 1.5 in.)
  • Clip Thickness (T) 1.27 mm +/- 0.05
    (Equiv. 0.05 in.)
  • Groove Dia. (Dg) 40.13 mm
    (Equiv. 1.58 in.)
  • Approx. Loose Circlip OD (Dr) 40.46 mm + 0.38 / - 0.00
  • Radial Wall (S) Approx. 2.74 mm +/- 0.10
  • Groove Width (W) 1.47 mm +/- 0.10
  • Approx. Loose Clip ID 34.98 +/- 0.05
  • Groove Depth (d) 1.02
  • Material Carbon Spring Steel
Country of Origin: US

Product Compliance and Data

Additional Resources

Cross References

  • Associated Spring AMI-150
  • Smalley WHT-150
  • WHT150
  • AMI150
View full details