
Miniature Bearings Australia
RPI-381-382-C - Datasheet
MBA
Category Information
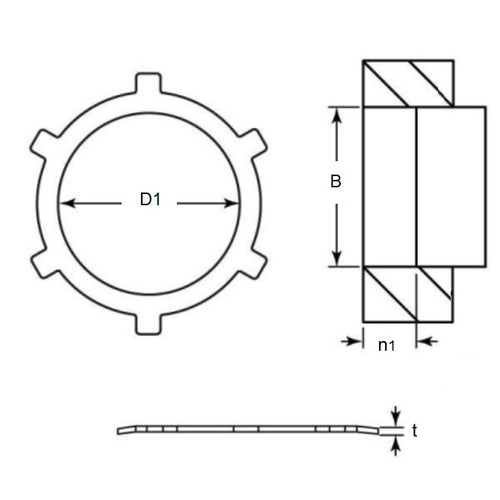
Retaining Rings - Push In Carbon SteelPush In Carbon Steel Retaining Rings. Thrust load shown is calculated for ideal conditions with mild steel bore.
Product Data
- Housing Bore (B) Min
:
38.05
mm
(Equiv. 1.498 in.) - Housing Bore (B) Max
38.15
mm
(Equiv. 1.502 in.) - Inside Clearance (D1)
30.18
mm
+ / - 0.50
(Equiv. 1.188 in.) - Thickness (t) 0.38 mm +/- 0.06
- Recommended Depth (n1) 1.52 mm
- Thrust Load 829 kg.cm
- Material Carbon Spring Steel Self Finish
Product Compliance and Data
Additional Resources
Cross References
- 98435A150
- NoCor TI-150
- TI150
- N1305-0150-APP
- N13050150APP


