Miniature Bearings Australia - MBA Minibearings
Miniature Bearings Australia

RRN-143 - Datasheet

MBA

Category Information

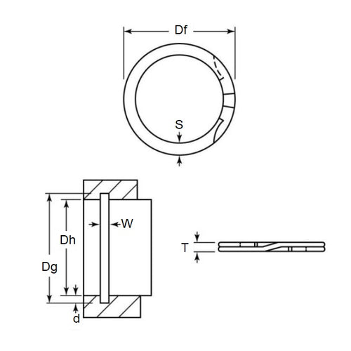
Retaining Rings - Internal - Spiral Rings - Heavy Duty - Carbon Steel

Carbon Steel Heavy Duty Spiral Rings Internal Retaining Rings. Includes AHI / WHM / AS3215 / RRN / MIL-R-27426B2 - Spring Steel

  • An expanded range may be available on special order. Please enquire.
  • Heavy duty design for use with NAS669-670 deep grooves in applications like double row and tapered roller bearings.
  • Requires no tools for removal.
  • Equivalent to Associated Spring: AHI, Smalley: WHM, Spirolox and Ramsey: RRN, Aerospace AS3215, MIL-R-27426B2

Product Data

Deleted Item. Available while stocks last.

Please contact us first if you wish to use this item in a new design so we can check whether production can be resumed.

  • Housing Bore (B) : 36.55 mm
    (Equiv. 1.439 in.)
  • Clip Thickness (T) 1.27 mm +/- 0.05
    (Equiv. 0.05 in.)
  • Groove Dia. (Dg) 38.81 mm
    (Equiv. 1.528 in.)
  • Approx. Loose Circlip OD (Dr) 39.00 mm + 0.33 / - 0.00
  • Radial Wall (S) Approx. 3.00 mm +/- 0.10
  • Groove Width (W) 1.47 mm +/- 0.10
  • Approx. Loose Clip ID 33 +/- 0.05
  • Groove Depth (d) 1.14
  • Material Carbon Spring Steel
Country of Origin: US

Product Compliance and Data

Additional Resources

Cross References

  • 91985A201
  • Associated Spring AHI-143
  • Smalley RRN-143
  • Spirolox RRN-143
  • Smalley WHM-143
  • RRN143
  • WHM143
  • AHI143
View full details