
Miniature Bearings Australia
WRE-0350-LR - Datasheet
MBA
Category Information
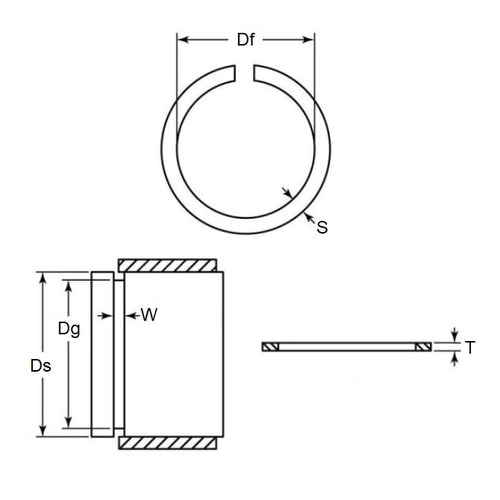
Retaining Rings - External - Snap Rings - Carbon SteelCarbon Steel Snap Rings External Retaining Rings. Includes series M3200 / SP / ESP / M2400 / SW snaprings. Similar to a circlip without the lugs.
- An expanded range may be available on special order. Please enquire.
- Carbon sping steel
- Used on the outside diameter of a bearing, shaft or similar equipment
Product Data
Deleted Item. Available while stocks last.
Please contact us first if you wish to use this item in a new design so we can check whether production can be resumed.
- Shaft or Bearing OD (d1)
:
35.00
mm
(Equiv. 1.378 in.) - Clip Thickness (T)
1.12
mm
+ 0 / - 0.10
(Equiv. 0.044 in.) - Groove Dia. (Dg)
33.17
mm
+ 0 / - 0.25
(Equiv. 1.306 in.) - Approx. Loose Circlip ID (A) 32.40 mm
- Radial Wall (S) Approx. 3.25 mm + 0 / - 0.10
- Groove Width (W) 1.65 mm
- Approx. Loose Clip OD 38.9
- Info Radiused Edge
- Section Profile Rectangular with Radiused Edge
- Material Carbon Spring Steel
Product Compliance and Data
Additional Resources
Cross References
- NoCor DSP-035
- FAG SP35
- Seeger SP35
- Seeger SP35-BLS
- SP35BLS
- DSP035
- WRE0350SR
- M3200-0350
- M32000350


