
Miniature Bearings Australia
RPO-039-040-C - Datasheet
MBA
Category Information
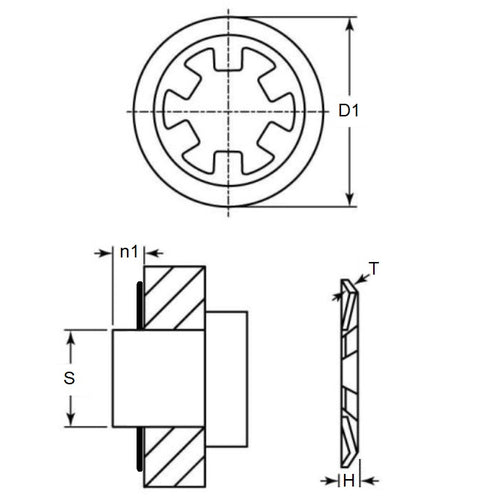
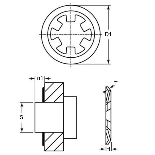
Retaining Rings - Push On - Carbon SteelCarbon Steel Push On Retaining Rings. M1465 / DTX / Seeger ZA and KS.
- An expanded range may be available on special order. Please enquire.
- Thrust load shown is calculated for ideal conditions with mild steel shaft.
- If no thrust load is shown, testing is suggested.
Product Data
- Min shaft size (s1)
:
3.94
mm
(Equiv. 0.155 in.) - Max Shaft Size (s2)
3.99
mm
(Equiv. 0.157 in.) - Outside diameter (D1)
9.04
mm
(Equiv. 0.356 in.) - Min shaft extension (n1) 1.02 mm
- Material Thickness (t) 1.02 mm
- Material Carbon Steel
Product Compliance and Data
Additional Resources
Cross References
- Waldes 5105-015
- IRR 6100-015
- NoCor TY-015
- Rotor Clip TY-015
- 6100015
- 5105015
- M1465-0040
- M14650040
- TY015


