
Miniature Bearings Australia
PLST-095C-191-TAS-018 - Datasheet
MBA
Category Information
Plungers - Spring Threaded Adapter - Non Locking - StainlessStainless Non Locking Spring Threaded Adapter Plungers. Use your own handle on the thread provided.
- Items shown with Long-Lok have a dry threadlocking sealant applied to thread.
Product Data
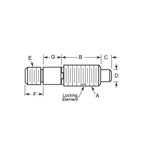
- Body Thread Size (A) : 3/8-16 UNC (9.53mm)
- Major Thread Length (B)
19.1
mm
(Equiv. 0.752 in.) - Initial Pressure (F1) 3.3 N
- Final Pressure (F2) 17.8 N
- Tip Diameter (D) 4.7 mm
- Tip Length (C) 5.5 mm
- End Thread Size (E) 5/16-18 UNC (7.938mm)
- End Thread Length (F) 10.3 mm
- Material Stainless Steel
Product Compliance and Data
Additional Resources
Cross References
- NRP72
- NRP-72


