
Miniature Bearings Australia
PLSP-032-064-AC-004 - Datasheet
MBA
Category Information
Plungers - Spring Push Fit - Steel - Acetal NoseAcetal Nose Steel Spring Push Fit Plungers. Steel body and acetal nose
Product Data
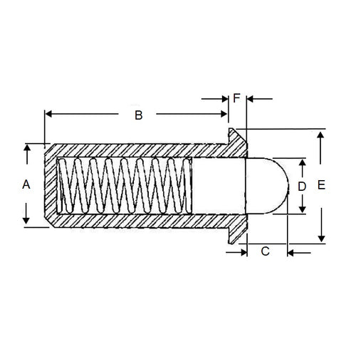
- Body Diameter (A)
:
3.18
mm
+ 0.1 / - 0.0
(Equiv. 0.125 in.) - Body Length (B)
6.4
mm
(Equiv. 0.252 in.) - Initial Pressure (F1) 2.2 N
- Final Pressure (F2) 4.5 N
- Tip Diameter (D1) 1.8 mm
- Tip Length (C) 1.6 mm
- Drive Push Fit
- Material Steel Body with Acetal
Product Compliance and Data
Additional Resources
Cross References
- PFP86
- PFP-86


