
Miniature Bearings Australia
RPO-031-032-SP15 - Datasheet
MBA
Category Information
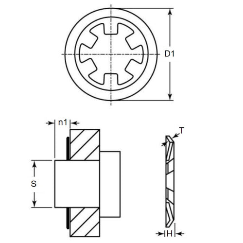
Retaining Rings - Push On - Stainless SteelStainless Steel Push On Retaining Rings. Rotor Clip TY. Stainless Steel hardness HR15N 82.5-86
- An expanded range may be available on special order. Please enquire.
- PH 15-7/17-7 Stainless Steel and 1.4310 Stainless Steel
Product Data
- Min shaft size (s1)
:
3.15
mm
(Equiv. 0.124 in.) - Max Shaft Size (s2)
3.20
mm
(Equiv. 0.126 in.) - Outside diameter (D1)
8.26
mm
(Equiv. 0.325 in.) - Min shaft extension (n1) 1.02 mm
- Material Thickness (t) 0.25 mm
- Material Stainless Steel Grade PH15-7-17
Product Compliance and Data
Additional Resources
Cross References
- Waldes 5105-012-SS
- IRR 6100-012-SS
- NoCor TY-012-SS
- Rotor Clip TY-012-SS
- 6100012SS
- 5105012SS
- TY012SS


