
Miniature Bearings Australia
PLSP-030-100-S3-002 - Datasheet
MBA
Category Information
Plungers - Spring Push Fit - Stainless - Stainless NoseStainless Nose Stainless Spring Push Fit Plungers. 300 series stainless with 17-7 stainless spring
Product Data
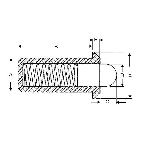
- Body Diameter (A)
:
3.00
mm
+ 0.10 / - 0.00
(Equiv. 0.118 in.) - Body Length (B)
10.0
mm
+ 0.00 / - 0.10
(Equiv. 0.394 in.) - Initial Pressure (F1) 0.50 N + 0.00 / - 0.12
- Final Pressure (F2) 1.50 N
- Tip Diameter (D) 2.00 mm
- Tip Length (C) 3.00 mm
- Spring Material 304 Stainless
- Body Material 303 Stainless
- Tip Shape Flat head
- Material Stainless Steel 303/304 (Similar to A2, 18-8) HRB80
Product Compliance and Data
Additional Resources
Cross References
- Misumi C-MPFS3-3
- Misumi C-MPJS3-3
- CMPJS33
- CMPFS33


