
Miniature Bearings Australia
RRN-112 - Datasheet
MBA
Category Information
Retaining Rings - Internal - Spiral Rings - Heavy Duty - Carbon SteelCarbon Steel Heavy Duty Spiral Rings Internal Retaining Rings. Includes AHI / WHM / AS3215 / RRN / MIL-R-27426B2 - Spring Steel
- An expanded range may be available on special order. Please enquire.
- Heavy duty design for use with NAS669-670 deep grooves in applications like double row and tapered roller bearings.
- Requires no tools for removal.
- Equivalent to Associated Spring: AHI, Smalley: WHM, Spirolox and Ramsey: RRN, Aerospace AS3215, MIL-R-27426B2
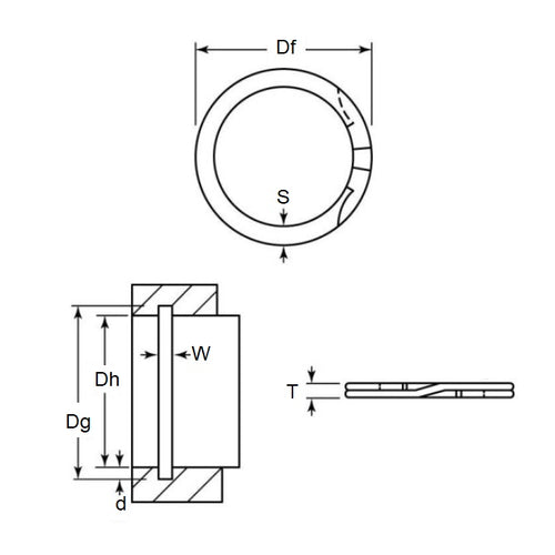
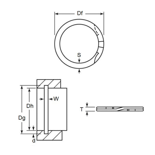
Product Data
- Housing Bore (B)
:
28.58
mm
(Equiv. 1.125 in.) - Clip Thickness (T)
1.27
mm
+/- 0.05
(Equiv. 0.05 in.) - Groove Dia. (Dg)
30.41
mm
(Equiv. 1.197 in.) - Approx. Loose Circlip OD (Dr) 30.49 mm + 0.33 / - 0.00
- Radial Wall (S) Approx. 2.62 mm +/- 0.11
- Groove Width (W) 1.47 mm +/- 0.11
- Approx. Loose Clip ID 25.25 +/- 0.05
- Groove Depth (d) 0.91
- Material Carbon Spring Steel
Product Compliance and Data
Additional Resources
Cross References
- 91985A171
- Associated Spring AHI-112
- Smalley WHM-112
- WHM112
- AHI112


