
Miniature Bearings Australia
RPI-238-239-C - Datasheet
MBA
Category Information
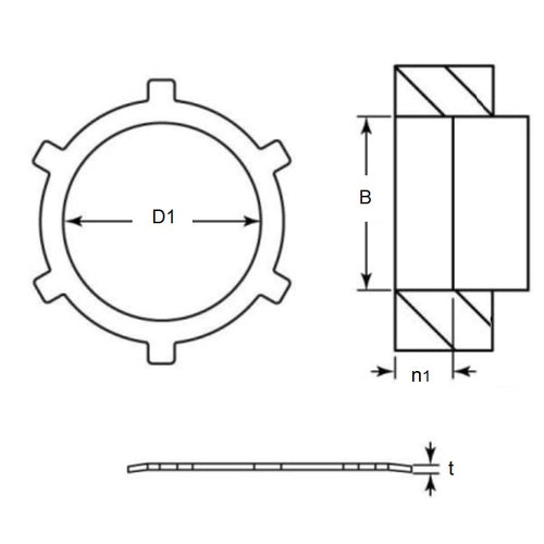
Retaining Rings - Push In Carbon SteelPush In Carbon Steel Retaining Rings. Thrust load shown is calculated for ideal conditions with mild steel bore.
Product Data
- Housing Bore (B) Min
:
23.77
mm
(Equiv. 0.936 in.) - Housing Bore (B) Max
23.88
mm
(Equiv. 0.94 in.) - Inside Clearance (D1)
17.45
mm
+ / - 0.26
(Equiv. 0.687 in.) - Thickness (t) 0.38 mm +/- 0.06
- Recommended Depth (n1) 1.52 mm
- Thrust Load 968 kg.cm
- Material Carbon Spring Steel Self Finish
Product Compliance and Data
Additional Resources
Cross References
- 98435A133
- NoCor TI-093
- TI093
- N13050093APP
- N1305-0093-APP


