
Miniature Bearings Australia
WRE-0230-LS - Datasheet
MBA
Category Information
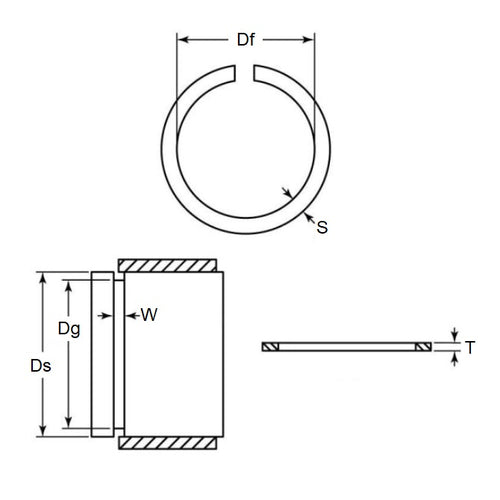
Retaining Rings - External - Snap Rings - Carbon SteelCarbon Steel Snap Rings External Retaining Rings. Includes series M3200 / SP / ESP / M2400 / SW snaprings. Similar to a circlip without the lugs.
- An expanded range may be available on special order. Please enquire.
- Carbon sping steel
- Used on the outside diameter of a bearing, shaft or similar equipment
Product Data
- Shaft or Bearing OD (d1)
:
23.00
mm
+ 0.10 / - 0.00
(Equiv. 0.906 in.) - Clip Thickness (T)
1.20
mm
+ 0.00 / - 0.10
(Equiv. 0.047 in.) - Groove Dia. (Dg)
22.20
mm
(Equiv. 0.874 in.) - Approx. Loose Circlip ID (A) 21.70 mm
- Approx. Loose Clip OD 25.2
- Section Profile Rectangular with Square Edge
- Material Carbon Spring Steel
Product Compliance and Data
Additional Resources
Cross References
- KaVo WR23
- NTN WR23


