
Miniature Bearings Australia
PLIT-160-240-200-96-LKPN-C - Datasheet
MBA
Category Information
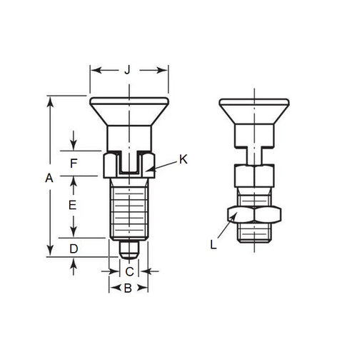
Plungers - Indexing Pull Knob - Steel - With Locking Slot and NutWith Locking Slot and Nut Steel Indexing Pull Knob Plungers. With thermoplastic knob
- Spring-loaded pin used to lock a part into a specific position.
- To use it, pull the handle or knob, which retracts the pin, allowing the part to be moved freely. When released the pin springs back into a hole, securing the part in its new position.
Product Data
- Thread (B) : M24 Fine (24x2mm)
- Overall Length (A)
96.0
mm
(Equiv. 3.78 in.) - Initial End Force 9.1 N
- Final End Force 20.9 N
- Tip Diameter (C) 16.0 mm
- Tip Length (D) 16.0 mm
- Knob Diameter (J) 40.0 mm
- Hex Size (K) 27.0 mm
- Nut Size (L) 36.0
- Material Steel
Product Compliance and Data
Additional Resources
Cross References
- KBP-571
- KBP571


